Опоры ходового винта
По вашему запросу товаров не найдено
Подшипниковая опора ходового винта предназначается для надежного фиксирования шарико-винтовой передачи (ШВП) или используется в устройствах автоматизации и станках ЧПУ.
Применение шарико-винтовых передач обеспечивает ряд преимуществ:
- точное позиционирование;
- высокий КПД;
- возможность преднатяга.
Указанные преимущества имеют возможность проявить себя лишь при тех условиях, если винт передачи не провисает и зафиксирован в радиальном и осевом направлениях. Чтобы соблюдать эти условия, максимальная длина винта рассчитывается исходя из максимальных нагрузок и диаметра ШВП, а на обоих концах устанавливается подшипниковая опора.
Серии опор ходового винта
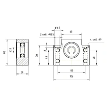
Подшипниковая опора представлена несколькими сериями, отличающимися расположением оси винта и особенностями ее крепления (присоединение к приводному или свободному концу):
- ВК. Имеет стальной корпус, монтажное отверстие, защищенные от грязи и пыли два радиальных подшипника. Крепление универсальное – перпендикулярно или параллельно монтажной плоскости.
- BF. Характеризуется стальным корпусом, отверстием для монтажа, радиальным подшипником. Крепится перпендикулярно или параллельно по отношению к монтажной плоскости.
- FK. Оснащен двумя радиальными подшипниками. Крепление осуществляется фланцем к плоскости.
- FF. Имеет один радиальный подшипник. Отверстия располагаются таким образом, что обеспечивает крепление фланцем к монтажной плоскости.
Выбирая тот или иной ходовой винт, необходимо обращать внимание на его серию. В ее аббревиатуре первая буква указывает на расположение оси. Так, BK и BF применяются при построении кинематических горизонтальных схем, FF и FK – вертикальных. Вторая буква обозначает, к какому концу должна крепиться опора. FF и BF монтируются к станине, выполняя тем самым поддерживающую функцию. FK и BK предназначены для фиксации приводного конца винта и крепятся на корпус привода.
Где купить опору ходового винта
Каталог интернет-магазина Purelogic R&D включает большой выбор опор ходового винта по доступным ценам. Мы предлагаем исключительно высококачественный товар от надежных производителей и обеспечиваем доставку продукции в любой уголок России. При необходимости оказываем помощь в выборе подходящих под ваши задачи деталей, комплектующих и устройств.
Доставка: | по России и СНГ |
Гарантия: | От 6 до 12 месяцев |
Поддержка: | консультации и сервис |
Ассортимент: | более 15 тыс. товаров |

Наша компания активно занимается развитием собственного производства. Большую часть прибыли мы инвестируем в разработки новых устройств и программного обеспечения. Это наш вклад в развитие отечественного рынка станкостроения.

Основываясь на опыте зарубежных коллег, мы создали с нуля отечественное ПО PUMOTIX, которое соответствует всем современным требованиям. Мы не только поддерживаем клиентов при работе с нашей ЧПУ-системой, но и добавляем функции в соответствии с пожеланиями пользователей.

В настоящий момент на наших складах более 15 000 единиц продукции. Ежегодно мы увеличиваем ассортимент и запасы товара, что позволяет нам оперативно реагировать на запросы наших клиентов.

Наличие собственного отдела технического контроля и сервиса, позволяет нам контролировать товары на каждом этапе: от поступления комплектующих до отгрузки готовой продукции, включая все этапы производства.

У нас работают опытные и прогрессивные специалисты – это позволяет нам идти в ногу со временем, постоянно придумывая что-то новое и совершенствуя свои продукты.

Специалисты технической поддержки всегда готовы ответить на любые вопросы по настройке оборудования или ПО, при необходимости выезжают с мастер-классами к клиентам для осуществления обучения по новым товарам, настройки и подключения оборудования.

Мы зарекомендовали себя на рынке станкостроения, выполняя свои обязательства с 2005 года. География наших партнеров включает в себя 24 страны. Мы уверены в качестве своей продукции, и это позволяет нам быть надёжным поставщиком лидирующих станкостроителей России и стран СНГ.

Purelogic R&D более 10 лет занимается поставкой механических, мехатронных, электронных и электрических комплектующих ведущих производителей из США, Англии, Нидерландов, Германии, Тайваня и Китая.